Manual de Autos
Manual de Servicio y Reparación Lexus ES300 (1991-1994)
Manual de Servicio y Reparación Lexus ES300 (1991-1994)
Couldn't load pickup availability
Manual de Taller y Reparación: Lexus ES300 (1991-1994) – Guía de Restauración
Recupera el esplendor de tu Lexus ES300 (1991-1994). Manual de taller completo en PDF con diagramas eléctricos, mantenimiento del motor 3VZ-FE y guías para transmisión A540E/E53. Descarga inmediata para una restauración precisa y profesional.
Motorización Cubierta
Este manual técnico profundiza en el robusto motor V6 de la serie:
- Motor 3.0L 3VZ-FE: Detalles exhaustivos sobre el sistema de inyección, puesta a punto, culatas, cadena de distribución y gestión electrónica del motor.
Sistemas de Transmisión
Información técnica para ambas configuraciones de tracción:
- Transmisión Automática A540E: Diagnóstico hidráulico, esquemas de solenoides y procedimientos de servicio.
- Transmisión Manual E53: Despiece completo, embrague y especificaciones de mantenimiento.
Beneficios y Valor para el Propietario
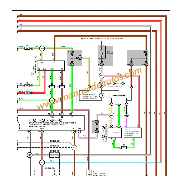
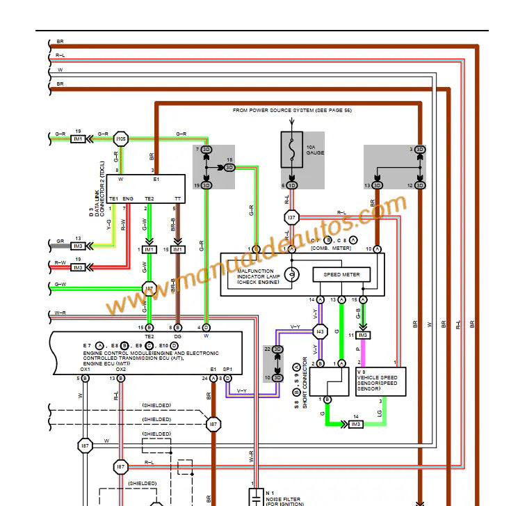
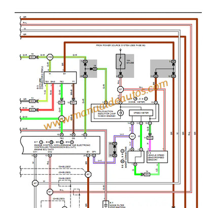
- Diagramas Eléctricos Completos: Localiza fallas en sistemas de iluminación, confort y sensores con esquemas detallados que facilitan la resolución de problemas eléctricos propios de la edad del vehículo.
- Mantenimiento Preventivo y Correctivo: Desde un simple cambio de fluidos hasta una reconstrucción total del motor. Ahorra miles en mano de obra externa aplicando los procedimientos originales de fábrica.
- Formato de Consulta Universal: Al ser un archivo PDF, puedes imprimir secciones específicas para usarlas en el garaje o consultarlas desde cualquier dispositivo, manteniendo siempre la información a la mano.
Requerimientos del Sistema
Para acceder a la documentación de forma óptima:
- Formato: PDF (Documento digital de alta resolución).
- Idioma: Inglés Técnico.
- Plataforma: Windows, Mac, Android (compatible con cualquier versión).
- Software: Requiere un lector de PDF estándar (Adobe Reader, Foxit o incluso navegadores como Chrome/Edge).
Seguridad y Confianza en tu Compra
Protegemos tu transacción con los más altos estándares de seguridad digital para que tu experiencia sea rápida y confiable.
- Descarga Inmediata: No esperes envíos postales. Tras completar tu pago, el sistema activa automáticamente un vínculo de descarga directo a tu correo electrónico. Tu manual estará listo para usarse en cuestión de segundos.
¡Devuelve la perfección a tu Lexus ES300 hoy mismo!
Un vehículo de ingeniería tan refinada merece cuidados exactos. No utilices guías genéricas; adquiere la documentación específica para los años 1991-1994 y asegura que cada componente de tu ES300 reciba el tratamiento técnico que dictan los manuales oficiales de servicio.

¿Como comprar?
Para pagar con PayPal con débito o crédito, sigue estos pasos:
- Selecciona el manual de taller que deseas comprar y procede al proceso de pago.
- Busca el botón de PayPal y haz clic en él.
- Completa el proceso de pago con tu tarjeta de crédito o débito. Ten en cuenta que en algunos países solo se permite el pago con tarjeta de crédito
- Una vez que hayas completado el proceso de pago, recibirás una confirmación de PayPal.
- Una vez confirmado el pago en nuestra cuenta, procederemos al envío del manual de taller a tu correo electrónico de PayPal. Si deseas que enviemos el manual a un correo electrónico diferente, contáctanos y suminístranos la dirección de correo electrónico correspondiente.
- NOTA IMPORTANTE: Tambien aceptamos: Nequi Colombia, Bizum España, Pago Movil Venezuela, Airtm, Zinli, Binance.
Opiniones de Nuestros Compradores
-
Armando Blanco
"Gente seria y muy atenta, repetiré si lo necesito."
-
Gabriel M. Lopez
"Excelente el vendedor, cumple con lo ofrecido, excelente atención, el producto me lo envió de forma inmediata."
-
José F. Guzmán
"Todo pefecto, envio rapido y el manual en perfecto estado (PDF)."